Produzione
1550 nm 15 dBm Amplificatore ottico a semiconduttore
  • 1550 nm 15 dBm Amplificatore ottico a semiconduttore1550 nm 15 dBm Amplificatore ottico a semiconduttore
  • 1550 nm 15 dBm Amplificatore ottico a semiconduttore1550 nm 15 dBm Amplificatore ottico a semiconduttore
  • 1550 nm 15 dBm Amplificatore ottico a semiconduttore1550 nm 15 dBm Amplificatore ottico a semiconduttore
  • 1550 nm 15 dBm Amplificatore ottico a semiconduttore1550 nm 15 dBm Amplificatore ottico a semiconduttore

1550 nm 15 dBm Amplificatore ottico a semiconduttore

Come produttore professionista, Box Optronics vorrebbe fornirti un amplificatore ottico a semiconduttore da 1550 nm di alta qualità da 1550 dBM, che è caratterizzato da un elevato fattore di rinforzo, a basso consumo di energia e conservazione della polarizzazione, tra le altre caratteristiche, ed è completamente elaborato utilizzando la tecnologia a controllo domestico. Se sei interessato al nostro prodotto, contattaci.

Introduzione:


La serie Optronics Series Product Series Amplificatore ottico (SOA) 1550 nm 15 dbm a semiconduttore viene utilizzato principalmente per rafforzare il segnale ottico e può aumentare significativamente la potenza ottica di uscita. Se sei interessato al nostro prodotto, contattaci.


Funzioni:


Bullone o modulazione bloccante da 40 g e 100 g;

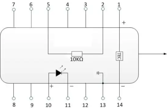
Farfalla da pacchetto a 14 pin;

Coefficiente di rumore basso e bassa dipendenza dalla polarizzazione;

Fibra SMF-28E con connettore FC/APC.

Affidabilità: Telcordia GR-468. Rohs


Applicazioni:


Compensazione della perdita per la connessione e l'interruttore in fibra -ottica;

Reti in fibra-ottica WDM;

Laser MOPA (amplificatore di potenza).


Caratteristiche elettriche (t = 25 ℃):


Parametro

Simbolo

Stato

Sono.

Tipo.

Max.

Unità

Lunghezza d'onda di lavoro

λpeak

25 ℃, pin = 0dbm

-

1550

-

В

Lunghezza d'onda centrale ASE

λase

25 ℃, if = 250 mA

-

1515

-

Nm

-3 дБ Ширина полосы усиления

Dl

Pin = 0dbm

100

-

-

Nm

Potenza ottica di saturazione

PMax

If = 250 mA,

PIN = 5дб@1550nm

12

-

15

DBM

Rafforzare il piccolo segnale

Ssg

If = 250 mA,

PIN = 5дб@1550nm

-

25

-

db

Tensione diretta

SE

-

-

250

400

se

L'efficacia della trasformazione del potere

Vf

-

-

1.3

1.5

в

Coefficiente di rumore

Nf

25 ℃, if = 250 mA,

@1550nm

-

7

9

db

Il coefficiente di polarizzazione sbiadita

PER

25 ℃, if = 250 mA

-

1.0

2.0

db

Coefficiente di spegnimento di shutdown1

È

If = 250ma/if = 0ma,

Pin = 0dbm

-

50

-

db

Coefficiente di spegnimento2

È

If = 250Ma/if = 5ma,

Pin = 0dbm

-

70

-

db

TEC attuale

Itec

-

-

-

1.8

A

Tensione TEC

Vtec

-

-

-

3.4

В

La resistenza del terminista

Rtherm

T = 25 ℃

9.5

10

10.5

PC

Termistor Current

Itherm

-

-

-

5

se

Potenza totale

P

-

-

-

4

Mar

La temperatura operativa del caso

SUPERIORE

I = if

-10

-

70

Temperatura di conservazione

Ts

-

-40

-

85


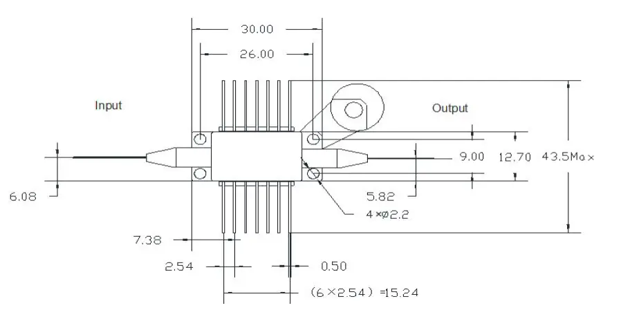
Disegno del caso e determinazione delle conclusioni (unità di misura: mm):



Consegna, spedizione e manutenzione


Tutti i nostri prodotti sono testati prima di inviare.;

Una garanzia da 1 a 3 anni si estende a tutti i prodotti. (Dopo la fine del periodo di garanzia, la commissione di pagamento della manutenzione corrispondente viene addebitata).

Apprezziamo la tua attività e offriamo una politica di rimborso istantaneo entro 7 giorni (7 giorni dopo aver ricevuto la merce);

Se le merci che acquisti nel nostro negozio non sono una qualità ideale, cioè non funzionano in forma elettronica in conformità con le specifiche del produttore, basta restituirli per sostituire o restituire il denaro;

Se la merce dispone di difetti, informarci a riguardo entro 3 giorni dalla data di consegna;

Tutte le merci devono essere restituite nella loro condizione originale per avere il diritto di restituire denaro o sostituire;

L'acquirente è responsabile di tutti i costi di consegna sostenuti.


Domande frequenti


D: Qual è la lunghezza d'onda dell'onda?

A: Abbiamo un diodo laser 793 nm, 808 nm, 915 nm, 975 nm.


D: Quali sono i requisiti per la potenza di output?

A: Box Optronics può creare un prodotto in conformità con le tue esigenze.



Tag caldi: 1550 nm 15 dBm Amplificatore ottico a semiconduttore
Invia richiesta
Informazioni di contatto
In caso di domande su una frase o una cooperazione, si prega di inviare un'e -mail o utilizzare il modulo di richiesta successivo. Il nostro rappresentante di trading ti contatterà entro 24 ore.
X
We use cookies to offer you a better browsing experience, analyze site traffic and personalize content. By using this site, you agree to our use of cookies. Privacy Policy
Reject Accept